How do install a Locofi decoder into DCC ready model, do I plug it in like a standard decoder or is more involved such as hardwiring and soldering.
Hello, Thank you for your question. It has been our intention for some time to come up with a design that caters to plug ‘n’ play with DCC ready locos. However, it has never been a priority. That is partly due to the unnecessary complexity that will be introduced to LocoFi™ by the base light board that comes pre-wired in the loco that lets the loco run on either DC or DCC. LocoFi™ is not DCC. In fact, it’s very different. It may appear from the outside that it should be an easy adaptation but it’s not. Not only will the LocoFi™ module become slightly larger, it is anyways typically challenging to fit the LocoFi™ module along side the light board.
In our opinion, the decoder technology shouldn’t be based around how it’s powered. In a sense, DCC is a sort of proprietary technology that does not allow any other technology to mix. The base light board is a workaround to let the loco run on DC without any benefits of the DCC. On the contrary, LocoFi™ can run on DC, DCC, battery or even AC (after rectification and filtration) AND any voltage (7V – 24V)! No special proprietary equipment needed.
As such, until technology agnostic plug ‘n’ play adapters appear in the "technology ready" loco or until we are able to offer a special module that will plug ‘n’ play with DCC ready adapters, the only option is to hard wire and soldering. We have plenty of videos on our website to help with that. Not only that, you can always reach us at wifimodelrailroad@gmail.com for support.
Thank you for your response
You’re welcome!
Based on the LocoFi Quick Start Guide on your website, four of your seven wires have the same color, polarity and function as the corresponding four pins on the NMRA 8-pin DCC decoder socket. The other three, the LED wires, are functionally the same but with reversed polarity. So, why is it not possible to connect at least the two track and two motor wires to an NMRA 8-pin plug and connect it directly to the 8-pin DCC decoder socket? (I need to work out a solution for the reverse polarity LED wires.)
You are correct in that the track and motor wires can be connected to the DCC ready plug as it is. However, lights are not as straightforward. See below for an explanation.
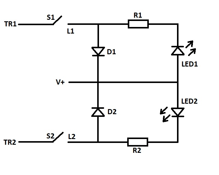
A simplified schematic of a typical light board is shown below. Please note that that only the portions relevant to lighting are depicted.

TR1 & TR2 – Track power
S1 & S2 – These switches represent if the dummy plug for DC operation is connected (switches closed)
L1 & L2 – Light outputs
R1 & R2 – Resistors (typically around 1k)
D1 & D2 – Diodes
LED1 & LED2 – The light LEDs
For DC operation, the switches would be closed and as the polarity on the rails is reversed, the appropriate LED will light up.
For DCC, the switches are open and the white and yellow wires connect at the points L1 and L2. V+ is common positive. Now the L1 and L2 are always HIGH when the lights are off. When L1 or L2 or both go low, current will flow and light up the appropriate LED(s). Typically V+ is 14V and resistors are up to 2k. The current flow will range from 5mA to 20mA depending on the value of the resistors.
Even if LocoFi™ module was common HIGH (V+), that would be a voltage of 3.3V and the LEDs will never light up due to the high value of resistors. LocoFi™ design philosophy (and it can be argued) was that the output go HIGH only when turned "ON" and the current sink to GND.
If you still want to plug into the connector, you will need to make the following modifications to the light board (hopefully the LocoFi™ module will fit along with the light board):
1. Reverse the direction of LEDs
2. Remove the diodes
3. Short the resistors (solder bridge or replace with 0R)
We hope that gives some insight into the design of not being able to use the light board. If we really wanted to use the light board, we will have to add circuitry to boost the voltage or drive the LEDs with transistors. If latter, the light output would vary (for fixed resistors) depending on the track voltage. This will not only make the LocoFi™ module larger and considerably large as we plan to add more function outputs in future for gaining literally nothing but also lose the flexibility that comes with LocoFi™ being operable on a variety of track voltage.
The light board was a DCC specific design for compatibility with DC. With LocoFi™, it doesn’t matter if the power source is DC or DCC. It simply works.
Thank you for this very useful and complete information.
With LED forward voltages in the 3 to 3.3 Volt range, I agree that 3.3 Volts is not going to provide a usable amount of light from the LED if there is a 1K series resistor. You must drive the LEDs directly from your logic outputs.
I am returning to model railroading after decades of working as an electrical engineer, and this is the first time I will be installing a decoder/controller of any kind in a locomotive. The target is a Bachmann Baldwin 4-6-0 that is "DCC Ready", and the control boards go in the tender, where I hope I may have some extra room to make the installation go more easily.
I’ll keep you updated as I go along with the installation.
You’re welcome! Welcome back to the hobby! Please keep us posted with your progress. Thanks.
But 95 % of diesel and steam RTR locomotives on the 2023 market are now DCC ready so a simple patch/path is needed to take a DCC ready motherboard, strip it of DCC unique functions and use it a path from the existing witing to the LocoFi board.
Is there a reason to keep the extra board once you’ve taken the DCC unique components off?
We’ve tried this in our lab setup once and gave up because it turned out more convoluted than simple.
We always used to wonder why there is a base DCC board when all you needed was an NMRA plug and the decoder should fit right into it. The plug should simply be wired to the power, motor and lights. It turns out that in an attempt to make the locomotive compatible with DC track power, the locomotive manufacturers had to invent this mechanism. This is a DCC specific mechanism only because of the way DCC power and signal is.
Ideally, there should be simply a 8 pin NMRA plug where either DCC or LocoFi or any other system should simply fit and yet be DC compatible. Alas, DCC will not work that way and throwing the DCC ready board out makes way for a simpler install of LocoFi, the way it should be. Some customers have in fact used the 8 pin NMRA socket and soldered all the wires of the locomotive on one end and the NMRA plug with LocoFi wiring on it on the other end. Now, it’s plug’n’play!
