We have performed laboratory tests using enclosures of aluminum foil and we did not notice any marked reduction in WiFi signal as long as there was at least a small opening somewhere. Metal enclosures in general would tend to just reduce the range of the WiFi signal. Worst case, we may need to extend the antenna outside of the enclosure.
Please do note that LocoFi™ isn’t yet available in "steam" sound scheme.
I asked this question originally. As an update, I just finished installing a LocoFi-3 module, with a TCS KA-4 keep-alive, in a brass Lambert Models HOn3 Rio Grande Southern three truck Galloping Goose. It all just fit inside the shell, and it works fine with no signal problems even though the only opening into the brass shell is a roughly 5/8” x 1 1/4” hole in the bottom for the metal power truck, which then fills most of the opening.
Electrical pickup on these models is not very good and is difficult to improve, but adding the Loco-Fi plus a keep-alive appears so far to have led to very solid, reliable operation.

That is great news. A first from the customer with brass locomotives. We appreciate you taking the time to provide an update. That is an important piece of information. And thank you for sharing the beautiful picture of your layout.
If we may ask, how did you wire the TCS keep-alive?
Here’s the wiring diagram I followed when installing a LocoFi module and super-capacitor in my HOn3 RGS Goose.

I used the same bridge rectifier that Loco-Fi recommended for building a power supply filter – a KBP310. I found 20 for $8 on Amazon.
The purpose of the bridge rectifier is to ensure that the supercap always receives power of the correct polarity, regardless of the track polarity or your other wiring. On the bridge rectifier, the two center posts are the ‘inputs’ – they take DC power (from the track in this case) of any polarity. it doesn’t matter which one is + and which is -. Regardless of the polarity of the ‘inputs’, the two ‘outputs’ will always match the polarity labeled on the bridge rectifier body.
Please note that the diagram just shows random wire colors for the supercap – I don’t know whether or not they are standard between manufacturers. Be SURE that you know the correct polarity of each wire from the supercap, and that you connect them to the correct outputs of the bridge rectifier – see the warning below.
The supercap I used is a TCS KA-4. It’s the largest capacity that I thought I could fit in the Goose body along with everything else – the LocoFi module and speaker, the bridge rectifier and all the wiring.
WARNING: It is VITALLY IMPORTANT that you use a bridge rectifier and that you connect the supercap’s wires to the correct polarity outputs on the bridge rectifier. Connecting any capacitor to the wrong polarity can result in the capacitor bursting, sometimes violently, and it can potentially start a fire. The bigger the capacitor, the worse the outcome.
@scott589 Excellent! Thank you once again for the very informative and detailed post. This is an incredible example of a use case of customer install of LocoFi™ in brass equipment and also using a supercapacitor power bank. We appreciate you sharing this.
Was very informative and especially about the size opening in the unit related to being able to communicate with the LocoFi system. I am in the process of installing a LocoFi 3 system in the brass tender of a steam locomotive. It only has two 1/8 " Dia. holes in the base for the power lead wires leading up from the tender’s trucks.
My concern is, the same as yours was, is how the LocoFi system is going to perform with virtually no access hole(s). Has LocoFi provided you with any information on how to or where to install an antenna with a LocoFi system?
With a plastic shell diesel locomotive fitted with the older LocoFi system i have to use a router on our club’s layout because of its size of the layout. The reception is perfect which undoubtedly will be the same setup I will require with the brass locomotive and tender.
Hi John.
Sorry it’s taken a while to respond. I didn’t get any info about external antenna, but that would be a great option for LocoFi to add in a future release. I have another 11 Hon3 steam locos that I’ll eventually equip once steam sound is available. My plan is to either:
1. drill a pattern of six or eight 1/8” or so holes in the bottom of the tender ( at least one of my locos has this from the factory, to help with sound if a sound system was installed, and I figure it’s going to be needed for the sound anyway if not for the Wi-Fi signal)
or
2. cut out the top of the tender where the coal load will be and replace the brass sheet with plastic, covered with coal (most of my tenders have a completely flat top, designed under the assumption that you would hide it under a load of coal. I only have one loco that has the full prototypical coal bin in the tender. I’ll have to go with this option and a lot of extra work on it just to get the LocoFi module in the tender in the first place)
or
3. both of the above if that’s what it takes to get good signal reception. However, based on my experience with the Goose I’m willing to bet that either option alone will work fine, though I expect that option 1 is more likely to result in better sound quality.
Hi Scott
My plan is similar to yours with modifying the coal load but was thinking about using a non metalic mesh to glue the coal onto. Since my coal load is large I am also going to mount my oversize speaker under the mesh. The mesh may give me more " free air" space rather than a solid . Will advise as things progress.
Installed the DDLLHB system that was modified for use with an H-bridge in an O scale 2-rail steam locomotive’s brass tender. [Sorry no steam and whistle sounds] The tender has only 2 small holes in it to route pick- up wires from the tender’s trucks and the speaker wires. The speaker is located in a coal load separate from the brass body of the tender. Literally the LocoFi system and the H-bridge are housed in a 100% brass envelope. Reception was perfect when operating on a home layout 30′ x 30′. From past experience operating a 2-rail diesel locomotive on my club’s large layout, fitted with LocoFi, I need to use a router because of the size of the layout and will do the same with the steam locomotive. Don’t forsee any problems. Do not see the need or concern for an external antenna with LocoFi.
There is a huge 2-rail O scale club layout that I want to take the brass locomotive to that has very large and long tunnels. I may have to use more than one router. Time will tell and not a problem if I have to use an additional router or two. With latest LocoFi software update my concern of losing a single and experiencing a runaway locomotive have also been eliminated.
Good job LocoFi !!!!
Was pleasantly surprised because past experiences with certain, brand L, 3 rail locomotives, reception has been a problem on some club layouts and an external antenna had to be fitted to the locomotive plus amplification of the 3 rail signal was required.
Another plus for LocoFi over the competition !!!!
That is excellent news! That one more solid user test of LocoFi™ performing as expected in a tight brass enclosure. This, combined with the ability to auto stop a runaway loco really brings us closer to the total control of locomotive using the latest of technological innovation and software. Thank you John for sharing this. It really helps to solidify the confidence with brass steamers and/or those running expensive equipment without any fear of loss or damage.
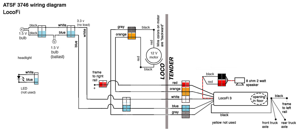
Here is my installation of a LocoFi in an HO Sunset 4-8-2 brass engine and tender.

I set up and painted this loco years ago for DC-only operation but included connectors and a speaker in the tender to make it easy to convert to a DCC board in the boiler later. Recently I revised it to install the LocoFi 3 board in the tender just in case it needed a hole to receive a wifi signal. I had already epoxy glued a speaker in place so I used it instead of the LocoFi speaker. I try to make components removable so I drilled holes and cut slots in the tender floor for the wiring so I wouldn’t have connectors visible between the loco and tender. Later, the visible wires were painted with Tamiya acrylic Rubber Black.

It has a NWSL 240-6 gearbox, an A-Line universal joint and a brass torque arm.

The loco has a 1.5 volt micro bulb for a headlight that I didn’t want to change so I added a second bulb in series so they would operate on the LocoFi headlight circuit. For sound I used Audacity to edit a steam hiss with some clanking sounds for the startup, running and shutdown. I kept the volume low so it was just a placeholder instead of using the “silent” WAV file. When the LocoFi steam sound is released I’ll upgrade to it. I’ll probably also add a capacitor to power the board for one or two seconds — thanks scott589 for the post above on that topic.
Excellent! Thanks for sharing. That was very clever to use two 1.5V bulbs in series. Great work!
As an Engineer, I would posit that the brass shell would act as a concentrating element for the Locofi PCB antenna inside. I doubt this would be possible at any frequency below about 1 GHz. The 2.4 GHz at which Wifi/Bluetooth operate should present no problem, I would think.
RjWs
Do commercial devices (Keep Alive, No Halt Insurance, CurrentKeeper) have integral bridge rectifiers? Are there wiring diagrams for the correct way to connect them to a DULLHB?
Anybody, Bueller, anybody at all? (Just kidding).
It was a quiet day in suburbia so I hooked up a couple just to see if I could connect them without anything burning up or exploding.

This worked out fine with separate tests of CurrentKeeper only and No Halt Insurance only. This confirmed that the blue wire on both was positive and the black (or black/white) wire was negative.
The voltages on each (measured at the + and – outputs of the bridge rectifier) were slightly different but not enough to matter:
Start: 10.75 VDC
At the end of 5 minutes: 11.25 VDC.
Track power* was disconnected at 5 minutes.
5 minutes, 30 seconds: 10.5 VDC
10 minutes: 9 VDC
* 12 VDC, 1 A "clean" wall wart
Tomorrow, I’ll try adding a DULLHB to the + and – terminals of the bridge rectifier
Sorry for the delay in responding, and I’m not sure how helpful this will be, but as far as I know (which isn’t real far in this case) none of the commercially available ‘current keeper’ type devices have a built in bridge rectifier. It’s my understanding that those that just plug straight into a decoder rely on the use of a rectifier that’s already built into the decoder board. I’m not an expert on DCC though, so it might be worth a close look at manufacturer’s websites or even emailing a question to make sure.
Thanks, scott589. I agree. I’ve breadboarded the CurrentKeeper and No Halt separately with the bridge rectifier and DULLHB successfully.

In my tests, the CurrentKeeper provided about 2 seconds of power after the input was disconnected. The No Halt was about half that. For a “real world” test I’ll put it in an engine.

I hope that you don’t mind my swiping some of your art for the wiring diagram that I’ve modified.
April 24, 2024 update.
Even after all of the work shown above, the loco still had reliability problems. The main one was intermittent electrical contact. I improved the tender pickup by adding phosphor bronze wires rubbing on the axles for the left-hand rail current. I also added a crude (but effective, I hope) contact that rubs on the right-hand (engineer’s side) wheels of the front tender truck with a wire feeding current to the electronics. Perhaps most importantly, I added a CurrentKeeper capacitor and a bridge rectifier. The rectifier takes in whatever current comes in via the rails (AC or DC regardless of polarity) and outputs only positive DC on one pole and only negative DC on another. It’s a bit complicated but it seems to work. The CurrentKeeper adds about two seconds of power to help the loco get past track problems. More testing is needed but it looks promising.

Installing the CurrentKeeper and bridge rectifier in a loco seems to work OK. See more in my April 24, 2024 post below.
I installed a DULLHB in the brass tender of a Sunshine HO 2-8-0 loco and it picks up the wifi signal without any problem. I drilled holes in the floor of the tender below the speaker. The LocoFi board is mounted with the antenna toward the front of the tender and facing upward.
